Jeep Cherokee 2013-2016 Service Manual Repair, Workshop Service Repair
$17.99
Payment Methods:
Description
Comprehensive Car Repair & Maintenance Workshop Manuals 🚗
Maintain and service your Jeep Cherokee with confidence using these professional-grade workshop manuals. Carefully organized for clarity and practical use, the manuals provide detailed, step-by-step maintenance and repair procedures supported by clear diagrams, photographs, and technical illustrations.
🔧 Manual Details
Language: English
Total Pages: 10,724
Engines: All engines
📌 Coverage Includes
Maintenance
Engine
Engine electrical system
Fuel preparation and control
Fuel supply
Cooling system
Exhaust system
Clutch
Engine and transmission mounting
Manual gearbox
Automatic transmission
Gearshift
Transfer box
Twin-clutch gearbox (DKG)
Front axle and front suspension
Steering and wheel alignment
Rear axle and rear-wheel drive
Brake system
Pedals
Wheels and tyres
Integrated suspension systems
Body structure
Body equipment
Seats
Slide/tilt sunroof and soft top
Audio, navigation, and information systems
Distance systems, cruise control, and remote operation
Electric motor
Engine and chassis parts and accessories
Body parts and accessories
Communication systems
Paint
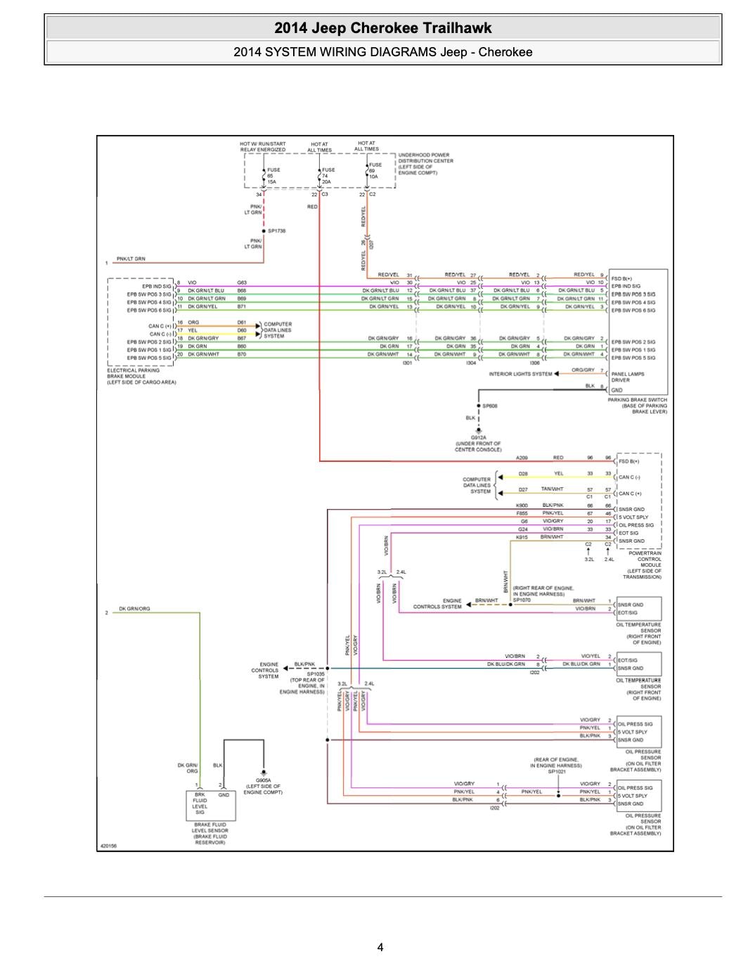
Wiring diagrams
✅ Why Choose These Manuals
Comprehensive coverage of all vehicle systems
Clearly structured repair and maintenance procedures
Easy-to-follow instructions suitable for all skill levels
Professionally illustrated technical guidance
Ideal for repeated reference during servicing and repairs
🚘 Vehicle Compatibility
Jeep Cherokee (2013–2016, All Engines)
✨ Ideal For
DIY vehicle owners
Automotive technicians
Repair workshops and service centers
🛒 Shop with Confidence
Customer satisfaction is our priority. If you have any questions or need assistance, our support team is always available to help.
⭐ Reliable information for accurate vehicle maintenance and repair





Reviews
Clear filtersThere are no reviews yet.