Chevrolet Silverado 2007-2014 Service Manual Repair, Workshop Service Repair

$17.99

0 People watching this product now!

Payment Methods:

Description

Comprehensive Car Repair & Maintenance Workshop Manuals 🚗

Maintain and service your vehicle with confidence using these professional-grade workshop manuals. Carefully organized for clarity and practical use, the manuals provide detailed, step-by-step maintenance and repair procedures supported by clear diagrams, photographs, and technical illustrations.

🔧 Manual Details:

  • Language: English

  • Total Pages: 12,195

📌 Coverage Includes:

  • Maintenance

  • Engine

  • Engine electrical system

  • Fuel preparation and control

  • Fuel supply

  • Cooling system

  • Exhaust system

  • Clutch

  • Engine and transmission mounting

  • Manual gearbox

  • Automatic transmission

  • Gearshift

  • Transfer box

  • Twin-clutch gearbox (DKG)

  • Front axle and front suspension

  • Steering and wheel alignment

  • Rear axle and rear-wheel drive

  • Brake system

  • Pedals

  • Wheels and tyres

  • Integrated suspension systems

  • Body structure

  • Body equipment

  • Seats

  • Slide/tilt sunroof and soft top

  • Audio, navigation, and information systems

  • Distance systems, cruise control, and remote operation

  • Electric motor

  • Engine and chassis parts and accessories

  • Body parts and accessories

  • Communication systems

  • Paint

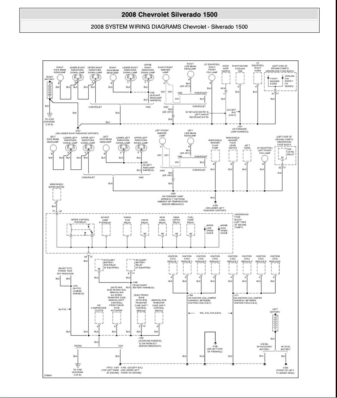
  • Wiring diagrams

Why Choose These Manuals?

  • Extensive coverage of vehicle systems

  • Clearly structured repair and maintenance procedures

  • Easy-to-follow instructions suitable for various skill levels

  • Professionally illustrated technical guidance

  • Ideal for repeated reference during servicing and repairs

🚘 Vehicle Compatibility:

  • Chevrolet Silverado (2007–2014)

  • All engine variants

Ideal For:

  • DIY vehicle owners

  • Automotive technicians

  • Repair workshops and service centers

🛒 Shop with Confidence:
Customer satisfaction is important to us. If you have any questions or need assistance, our support team is always available to help.

Reliable information for accurate vehicle maintenance and repair

Customer Reviews

0 reviews
0
0
0
0
0

There are no reviews yet.

Be the first to review “Chevrolet Silverado 2007-2014 Service Manual Repair, Workshop Service Repair”

Your email address will not be published. Required fields are marked *